Lawn Mowers HR HR216 HR216 SXA MACR-1000001-3000000 LABELS - Honda East, Inc.

Ref No
Part Number
Description
Serial Range
Qty
Price

Ref No
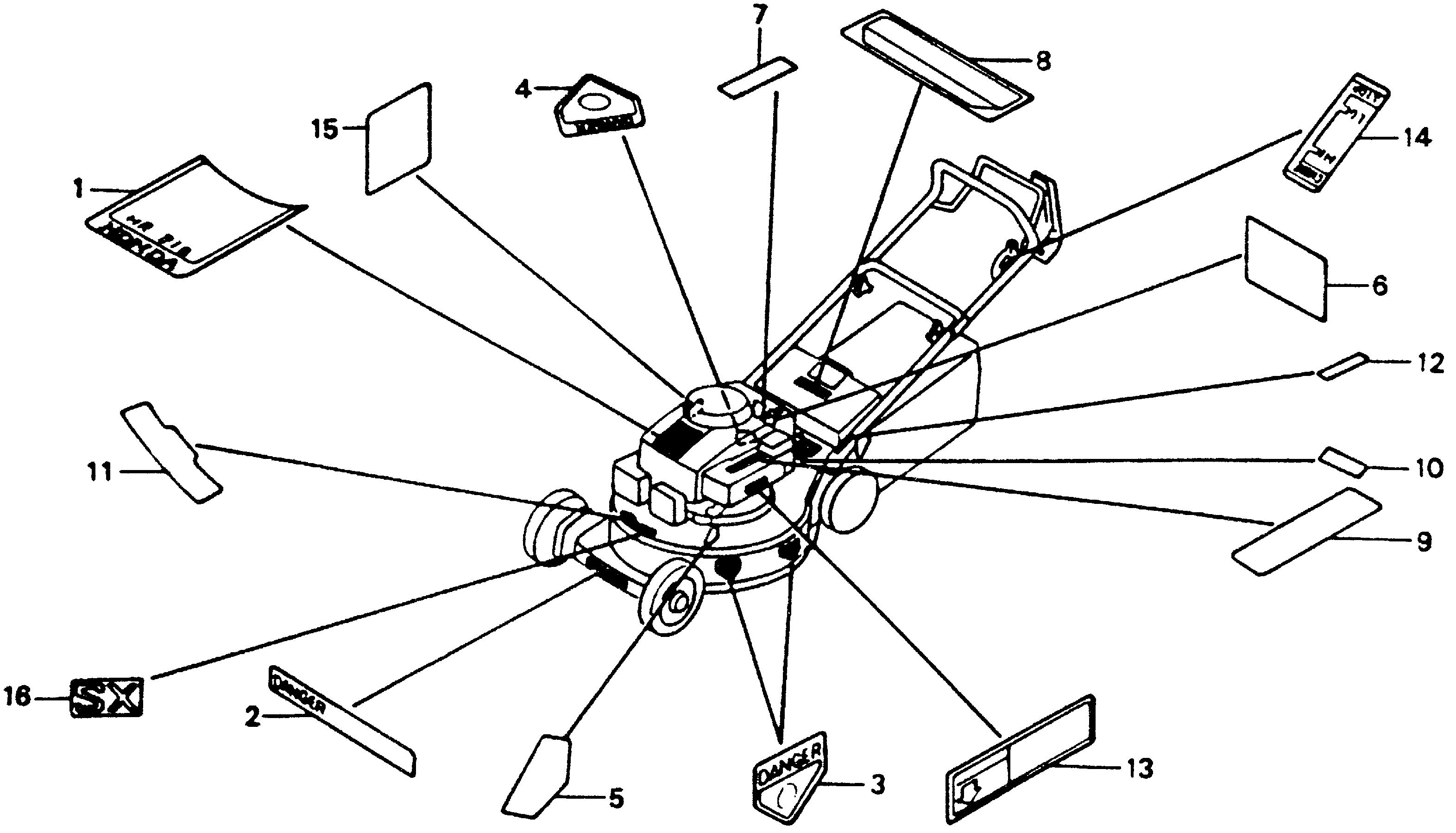
1
Part Number
87101-VB3-800
Description
EMBLEM, TOP (NOT AVAILABLE)
Serial Range
1000001 - 9999999

Ref No
2
Part Number
87102-VA3-000
Description
LABEL A, HOUSING CAUTION (ENGLISH) (NOT AVAILABLE)
Serial Range
1041571 - 9999999

Ref No
2
Part Number
87102-VB3-800
Description
LABEL A, HOUSING CAUTION (ENGLISH)
Serial Range
1000001 - 1041570

Ref No
3
Part Number
87103-VB3-800
Description
CAUTION B, HOUSING (ENGLISH)
Serial Range
1000001 - 1042520
Qty
Price
$1.87

Ref No
3
Part Number
87104-VA2-000
Description
CAUTION C, HOUSING
Serial Range
1042521 - 9999999
Qty
Price
$1.87

Ref No
3
Part Number
87104-VA2-000
Description
CAUTION C, HOUSING
Serial Range
1041571 - 9999999
Qty
Price
$1.87

Ref No
4
Part Number
87103-959-620
Description
LABEL B, HOUSING CAUTION
Serial Range
1000001 - 1041570

Ref No
4
Part Number
87104-VA2-000
Description
CAUTION C, HOUSING
Serial Range
1042521 - 9999999
Qty
Price
$1.87

Ref No
4
Part Number
87104-VA2-000
Description
CAUTION C, HOUSING
Serial Range
1041571 - 9999999
Qty
Price
$1.87

Ref No
5
Part Number
87104-VB3-800
Description
LABEL, STEP POSITION (ENGLISH) (NOT AVAILABLE)
Serial Range
1000001 - 9999999

Ref No
6
Part Number
87105-VB3-800
Description
CAUTION, OPERATOR (ENGLISH)
Serial Range
1000001 - 9999999

Ref No
7
Part Number
87106-960-000
Description
LABEL, FUEL CAUTION (ENGLISH)
Serial Range
1000001 - 9999999
Qty
Price
$4.39

Ref No
8
Part Number
87107-VA4-000
Description
LABEL, DISCHARGE GUARD CAUTION (ENGLISH) (NOT AVAILABLE)
Serial Range
1000001 - 9999999

Ref No
9
Part Number
87154-VA4-000
Description
MARK, EASY START (ENGLISH)
Serial Range
1000001 - 9999999

Ref No
10
Part Number
87502-VA4-800
Description
LABEL, CHANGE INDICATION
Serial Range
1000001 - 9999999
Qty
Price
$4.81

Ref No
11
Part Number
87509-VB3-800
Description
LABEL, PLUG CAUTION (NOT AVAILABLE)
Serial Range
1000001 - 9999999

Ref No
12
Part Number
87511-VA3-000
Description
MARK, HANDLE ADJUST (ENGLISH) (NOT AVAILABLE)
Serial Range
1000001 - 9999999

Ref No
13
Part Number
87524-ZE7-000
Description
LABEL, AIR CLEANER CAUTION (H)
Serial Range
1000001 - 9999999

Ref No
14
Part Number
87532-VA4-000
Description
MARK, THROTTLE (ENGLISH)
Serial Range
1000001 - 9999999

Ref No
15
Part Number
87594-VA4-010
Description
MARK, OIL CAUTION
Serial Range
1000001 - 9999999
Qty
Price
$5.40

Ref No
16
Part Number
87601-960-770
Description
MARK, TYPE (SX) (NOT AVAILABLE)
Serial Range
1000001 - 9999999